• Welcome to For E Bodies Only !

    We are a community of Plymouth Cuda and Dodge Challenger owners. Join now! Its Free!

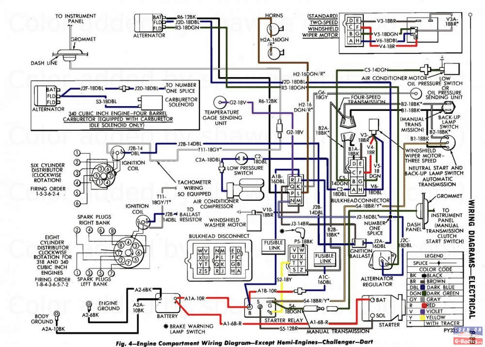
70 engine harness to 72 dash harness

Old B5

Well-Known Member
Joined
Dec 19, 2017
Messages
101
Reaction score
27
Location
Evansville, IN
I have a 1970 340 engine harness but a 1972 fuse terminal and rallye dash harness. The only gauge that works is the ampmeter. I replaced the voltage limiter on the cluster but still nothing. Do i need to change any of the wire pins in the harness connectors. I am an idiot when it comes to electrical so dumb it down as much as possible. Thanks
 
With out looking to close at it, I would say no. The difference in engine harness is where the length in relation to where they connect. Big block ,small block and 6 banger. Also the there has to be the correct sending unites. Also the bulkhead connectors need to be clean of corrosion and tarnish can effect connection. The simple solution it to be sure cluster and the sending unites are grounded. check to see it there in the correct place. Some might have altered it. Check both sides.
Once you realize your not in a perfect world You pretty much got it beat.
1725883608152.png

1725883772154.jpeg
 
Last edited:
I will add you are safe, more or less, from accidentally crossing wires and ruining things when mixing differing wiring harnesses. Even though instrument clusters and engines can vary, the pins (even wire colors) used in the bulkhead connectors over the years (1970-1974) are the same, more or less.

The rallye dash calls for a different oil pressure sending unit on the engine, than the standard cluster. This may explain why the oil pressure gauge isn't working properly. The correct sending unit is as fat as a golf ball. While the standard one is much smaller.

Also, the rallye dash includes an extra wire from the engine side to connect with the tachometer. This may explain why the tachometer isn't working, if it's missing.

The (wiring diagram in post #2 shows the) voltage limiter you refer to impacts the fuel, oil pressure and temperature gauges. If any of those gauges are working properly, your limiter is likely in good order.

Troubleshooting electrical takes patience and time. It isn't hard, but it CAN be mysterious and confounding. Your best tool may be a digital multi-meter (DMM) and if you don't have one, grab a cheap one and learn to use it.

If you have deep pockets, you can pay another to do all this work for you. But even they, may need to systematically go through things, test things, check connections, etc, and bill you for their time.

If you have patience, or you don't have the funds to pay a mechanic (at $100+/hour) you may learn a great deal more about your car, by trying to work through the issues, yourself.

One really great thing about this kind of work, is the color of the wiring is nicely documented. And with the help of veterans on this forum, I am confident you can figure this out.
 
I’ve got power coming to the new voltage regulator but no power at the gauges. Any idea why?
 
Bulkhead connectors good? Check to see if you have power at the fuse box terminal marked BATT. Then torn the key on and check the terminal marked ACC.
 
I’ve got power coming to the new voltage regulator but no power at the gauges. Any idea Do
Are talking about the voltage regulator under the hood or the voltage limiter on the gauge cluster. If you have the cluster out it will not work with out a ground.
1726162136628.png
 
Back
Top